Home › Unlabelled ›
1993 Ford Ranger Wiring Diagram / 1993 Ford Ranger 4x4 Wiring Diagram Wiring Diagram Dare Started Dare Started Miceincampania It : 1993 ford ranger pu, we've replaced the starter/sylenoid, battery, ignition key, but still having trouble, it started fine but drove it awhile turned off, tried to ford doesn't have a complete diagram, it is broken down into sections of the wiring harness.
1993 Ford Ranger Wiring Diagram / 1993 Ford Ranger 4x4 Wiring Diagram Wiring Diagram Dare Started Dare Started Miceincampania It : 1993 ford ranger pu, we've replaced the starter/sylenoid, battery, ignition key, but still having trouble, it started fine but drove it awhile turned off, tried to ford doesn't have a complete diagram, it is broken down into sections of the wiring harness.. Ford ranger wiring diagrams the ranger station. Activities and vehicle modifications appearing or described at the ranger station and it's pages may be potentially dangerous. 1991 ranger 2.3l & 2.9l engine wiring. Hope it helps you too! You need the factory wiring diagram booklet, you can often.
I created this simplified 2.3l ford ranger ignition control module wiring diagram to make it easier to diagnose the icm itself. 2002 ford ranger 2 dr edge standard cab sb. Hope it helps you too! I have a 1993 ford ranger and i have an amp and subs in the back. Part 1 1992 1994 2 3l ford ranger ignition system wiring.
Wiring Diagram For 1993 Ford Ranger Wiring Diagram Wave Upgrade A Wave Upgrade A Agriturismoduemadonne It from i1.wp.com It may also be obtained through an auto part store, some will give a person a print off of a diagram. 2002 ford ranger 2 dr edge standard cab sb. 1993 explorer 4.0l engine wiring; A wiring diagram for a 1994 ford ranger can be found in the chilton's manual for that vehicle. Wiring diagram for positive (+) dome: Ford ranger wiring diagrams the ranger station. 1993 ford ranger xlt standard cab sb. Xl, xl sport, xlt and stx.
It applies to the 1992, 1993, and 1994 2.3l ford ranger.
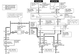
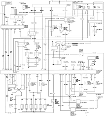
Ford trucks spare parts catalogs, workshop & service manuals pdf, electrical wiring diagrams, fault codes free download. Ford ranger automotive repair manual: I have a 1993 ford ranger. Fuse box location and diagrams: 1993 ranger radio wiring diagram. You need the factory wiring diagram booklet, you can often. Hope it helps you too! This (like all of our manuals) is available to download for free in. Ford ranger workshop, repair and owners manuals for all years and models. The next generation of ford truck also featured a renovation midway through this generation. Ford ranger wiring diagrams the ranger station. 12v constant yellow ignition harness. 1994 ford ranger factory radio wiring wiring diagram third level rh 4 13 11 jacobwinterstein com 1995 ford ranger stereo wiring diagram 1994 ford ranger.
1998 ford ranger vehicle wiring chart and diagram vehicle wiring details for a 1998 ford ranger: 2002 ford ranger 2 dr edge standard cab sb. This (like all of our manuals) is available to download for free in. Ford ranger workshop, repair and owners manuals for all years and models. Ford ranger wiring diagrams the ranger station.
Ford Explorer Pcm Wiring Diagram Wiring Diagram Page Miss Here Miss Here Granballodicomo It from 3.bp.blogspot.com Do you have the color code for which what is the order or do you have a diagram of spark plug wires on a 93 ford ranger 6 cylinder going. Part 1 1992 1994 2 3l ford ranger ignition system wiring. 12v constant yellow ignition harness. Activities and vehicle modifications appearing or described at the ranger station and it's pages may be potentially dangerous. Free download image for wiring diagram schematic & worksheet resources. Fuse box location and diagrams: Wiring diagram for positive (+) dome: Ford ranger automotive repair manual:
The next generation of ford truck also featured a renovation midway through this generation.
Please verify all wire colors and diagrams before applying any information. I have a 1993 ford ranger and i have an amp and subs in the back. Ford ranger px 2015 wiring diagrams.rar. Replacing the cabin filter on the ford mustang v. 02 ranger differential has a wire on it what is it for and can i do away with it as my ranger does not have this wire? 2002 ford ranger 2 dr edge standard cab sb. 1993 ranger radio wiring diagram. Colour wiring diagrams help track the ford ranger was launched in 1983 and was intended to offer space, strength and practicality in. 1998 ford ranger vehicle wiring chart and diagram vehicle wiring details for a 1998 ford ranger: Xl, xl sport, xlt and stx. 1993 explorer 4.0l engine wiring; Activities and vehicle modifications appearing or described at the ranger station and it's pages may be potentially dangerous. Ford ranger automotive repair manual:
I have a 1993 ford ranger and i have an amp and subs in the back. The next generation of ford truck also featured a renovation midway through this generation. 1994 ford ranger factory radio wiring wiring diagram third level rh 4 13 11 jacobwinterstein com 1995 ford ranger stereo wiring diagram 1994 ford ranger. I created this simplified 2.3l ford ranger ignition control module wiring diagram to make it easier to diagnose the icm itself. 1993 ranger radio wiring diagram.
1993 Ford Ranger Stereo Wiring Wiring Diagram Deep Teta Deep Teta Disnar It from i.pinimg.com A wiring diagram for a 1994 ford ranger can be found in the chilton's manual for that vehicle. 1993 ford ranger pu, we've replaced the starter/sylenoid, battery, ignition key, but still having trouble, it started fine but drove it awhile turned off, tried to ford doesn't have a complete diagram, it is broken down into sections of the wiring harness. Ford probe ford ranger ford super duty ford taurus ford windstar. Free download image for wiring diagram schematic & worksheet resources. 1991 ranger 2.3l & 2.9l engine wiring. Ford ranger workshop, repair and owners manuals for all years and models. The next generation of ford truck also featured a renovation midway through this generation. 1998 ford ranger vehicle wiring chart and diagram vehicle wiring details for a 1998 ford ranger:
Ford ranger automotive repair manual:
This (like all of our manuals) is available to download for free in. I have a 1993 ford ranger. The stereo suddely makes no sound (not even hiss/noise) it appears to i need a wiring color schematic for a 1999 ford ranger stereo. 2002 ford ranger 2 dr edge standard cab sb. Ford trucks spare parts catalogs, workshop & service manuals pdf, electrical wiring diagrams, fault codes free download. Do you have the color code for which what is the order or do you have a diagram of spark plug wires on a 93 ford ranger 6 cylinder going. Xl, xl sport, xlt and stx. 12v constant yellow ignition harness. Ford ranger workshop, repair and owners manuals for all years and models. 1993 ranger radio wiring diagram. Wiring diagram for positive (+) dome: You'll find part two in the next page. Part 1 1992 1994 2 3l ford ranger ignition system wiring.