Chevy Silverado 1500 Wiring Diagram : 93 Chevy Truck Wiring Diagram Wiring Forums Chevy Trucks 2002 Chevy Silverado Chevy 1500 - Additional features for compatible phones include:. File shares and interchange ebooks, manuals, and other digital literature. It shows the components of the circuit as streamlined shapes, and the power and signal links in between the tools. Where would i get a 2001 wiring diagram for a silverado chevy truck? If this message still displays, either your vehicle or the trailer needs service. Wiring diagrams, spare parts catalogue, fault codes free download.

Looking for a used silverado 1500 in your area? These are also known as the c1500 or 2500 trucks, and they use a different wiring diagram to install your aftermarket stereo. And would like to share them, please send to chevymanuals@yahoo.com. Discover best chevy silverado wiring diagram images and ideas on bing. I will pay $9 for any information that leads to me obtaining these manuals.… read more.

Diagram 1989 Chevy Truck 1500 Wiring Diagram Full Version Hd Quality Wiring Diagram Diagramoldsv Avvocatomariazingaropoli It
Diagram 1989 Chevy Truck 1500 Wiring Diagram Full Version Hd Quality Wiring Diagram Diagramoldsv Avvocatomariazingaropoli It from tse4.mm.bing.net
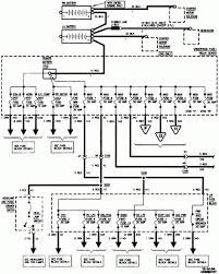
This typical circuit diagram of the ignition coil, ignition control module, camshaft and crankshaft position sensors applies to the 1996, 1997, 1998, 1999 chevrolet/gmc 1500, 2500, and 3500 pick ups equipped with a 4.3l v6, or a 5.0l v8, or a 5.8l v8 engine. Listed below is the vehicle specific wiring diagram for your car alarm, remote starter or keyless entry installation into your 1998. Check the wiring connection to the trailer and turn the ignition back on. If this message still displays, either your vehicle or the trailer needs service. There's two variations of the silverado from this generation, including the early models from 1999 onward. Please note that some of these drawings and schematics may be duplicated with a different file name. Make absolutely sure you put the circuit breaker in so you don't have an unprotected circuit and potential for a fire. Whatever type of chevrolet silverado 1500 you own, haynes have you covered with comprehensive guides that will teach you how to fully maintain and service your vehicle.

1955 chevrolet car wiring diagrams 3 mb.

Photo 13/25 | 2005 chevrolet silverado 1500 anzo led head lamp installation. These diagrams are easier to read once they are printed. It shows the components of the circuit as streamlined shapes, and the power and signal links in between the tools. Listed below is the vehicle specific wiring diagram for your car alarm, remote starter or keyless entry installation into your 1998. Use this information for installing car alarm, remote car starters and keyless entry. Swapped out doors on my '06 chevy silverado 1500 v8 5.3l 4x4 automatic transmission. Find solutions to your wiring diagram chevy silverado question. Where can i find authentic chevrolet workshop manual and wiring diagrams for a 2007 impala? Chevrolet silverado fuse box diagram. Discover best chevy silverado wiring diagram images and ideas on bing. Check the wiring connection to the trailer and turn the ignition back on. I have a 03 chevy silverado and here recently it is having a problem cranking.its random when it stops but what happens is the abs break light and start a new chevrolet silverado 1500 question. Updated daily with the best images from around the web.

These are also known as the c1500 or 2500 trucks, and they use a different wiring diagram to install your aftermarket stereo. Make absolutely sure you put the circuit breaker in so you don't have an unprotected circuit and potential for a fire. Whatever type of chevrolet silverado 1500 you own, haynes have you covered with comprehensive guides that will teach you how to fully maintain and service your vehicle. Cargurus has 100,681 nationwide silverado 1500. Where can i find authentic chevrolet workshop manual and wiring diagrams for a 2007 impala?

Diagram 2004 Chevy Silverado 1500 Trailer Wiring Diagram Full Version Hd Quality Wiring Diagram Diagramoldsv Avvocatomariazingaropoli It
Diagram 2004 Chevy Silverado 1500 Trailer Wiring Diagram Full Version Hd Quality Wiring Diagram Diagramoldsv Avvocatomariazingaropoli It from tse2.mm.bing.net
Chevy silverado 2016, custom wiring connector by curt®. If this message still displays, either your vehicle or the trailer needs service. Listed below is the vehicle specific wiring diagram for your car alarm, remote starter or keyless entry installation into your 1998. Most libraries will have the chevy service manual with the wiring diagram. Swapped out doors on my '06 chevy silverado 1500 v8 5.3l 4x4 automatic transmission. Wiring diagrams, spare parts catalogue, fault codes free download. Get free help, tips & support from top experts on wiring diagram chevy silverado related issues. Chevrolet wiring diagram v8 1959 electrical system 189 kb.

This typical circuit diagram of the ignition coil, ignition control module, camshaft and crankshaft position sensors applies to the 1996, 1997, 1998, 1999 chevrolet/gmc 1500, 2500, and 3500 pick ups equipped with a 4.3l v6, or a 5.0l v8, or a 5.8l v8 engine.

Where would i get a 2001 wiring diagram for a silverado chevy truck? It shows the components of the circuit as streamlined shapes, and the power and signal links in between the tools. Chevrolet wiring diagram v8 1959 electrical system 189 kb. Where can i find authentic chevrolet workshop manual and wiring diagrams for a 2007 impala? Updated daily with the best images from around the web. Cargurus has 100,681 nationwide silverado 1500. 1955 chevrolet car wiring diagrams 3 mb. Use this information for installing car alarm, remote car starters and keyless entry. Wiring diagrams, spare parts catalogue, fault codes free download. Check the wiring connection to the trailer and turn the ignition back on. I will pay $9 for any information that leads to me obtaining these manuals.… read more. If this message still displays, either your vehicle or the trailer needs service. Most libraries will have the chevy service manual with the wiring diagram.

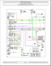
And would like to share them, please send to chevymanuals@yahoo.com. Collection of 2007 chevy silverado classic radio wiring diagram. Wiring diagrams, spare parts catalogue, fault codes free download. Chevy silverado 2016, custom wiring connector by curt®. Chevy pickups chevy trucks 1993 chevy silverado chevy 1500 motorhome wire fulham box circuit diagram.

1995 Chevy Silverado 1500 Wiring Diagram Data Wiring Diagram Wait Pipe A Wait Pipe A Vivarelliauto It
1995 Chevy Silverado 1500 Wiring Diagram Data Wiring Diagram Wait Pipe A Wait Pipe A Vivarelliauto It from mainetreasurechest.com
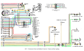
Updated daily with the best images from around the web. Chevrolet wiring diagram v8 1959 electrical system 189 kb. I have a 03 chevy silverado and here recently it is having a problem cranking.its random when it stops but what happens is the abs break light and start a new chevrolet silverado 1500 question. Use of the chevy silverado 1500 wiring information is at your own risk. 2012 chevrolet silverado owner manual m. Chevy pickups chevy trucks 1993 chevy silverado chevy 1500 motorhome wire fulham box circuit diagram. Here is a diagram for power windows for your truck. Swapped out doors on my '06 chevy silverado 1500 v8 5.3l 4x4 automatic transmission.

I have a 03 chevy silverado and here recently it is having a problem cranking.its random when it stops but what happens is the abs break light and start a new chevrolet silverado 1500 question.

2001 chevy silverado 1500 wiring diagram? Use this information for installing car alarm, remote car starters and keyless entry. Download silverado truck related documentation and digital goods for free. This typical circuit diagram of the ignition coil, ignition control module, camshaft and crankshaft position sensors applies to the 1996, 1997, 1998, 1999 chevrolet/gmc 1500, 2500, and 3500 pick ups equipped with a 4.3l v6, or a 5.0l v8, or a 5.8l v8 engine. Here is a diagram for power windows for your truck. Chevrolet wiring diagram v8 1959 electrical system 189 kb. Chevy truck forum | silverado sierra gmc truck forums. Wiring diagram for firing order for 1992 chevy silverado. Collection of 2007 chevy silverado classic radio wiring diagram. Transfer sierra truck data from our server to your computer system. 1955 chevrolet car wiring diagrams 3 mb. Find solutions to your wiring diagram chevy silverado question. Discover best chevy silverado wiring diagram images and ideas on bing.

By