2004 Mazda 6 Tcm Location / Ultimate Mazda 2010 Mazda 3 Tcm - Turn the key toward the front to unlock, toward the back to lock.. How to diy 2006 2009 mazda mazda3 2 3l tcm replacement youtube. 2003, 2004, 2005, 2006, 2007, 2008). Fuse box diagram (location and assignment of electrical fuses) for mazda 6 (gg1; Here is the location of the tcm below. Our comprehensive reviews include detailed ratings on price and features, design, practicality, engine, fuel consumption, ownership.

Here is the location of the tcm below. The starter is located on top of the engine, underneath the battery and battery tray. 2004 2009 mazda 3 problems engines fuel economy pros and cons. Check engine came on and stayed on. Know the recent mazda mazda6 technical service bulletins to keep driving safely.

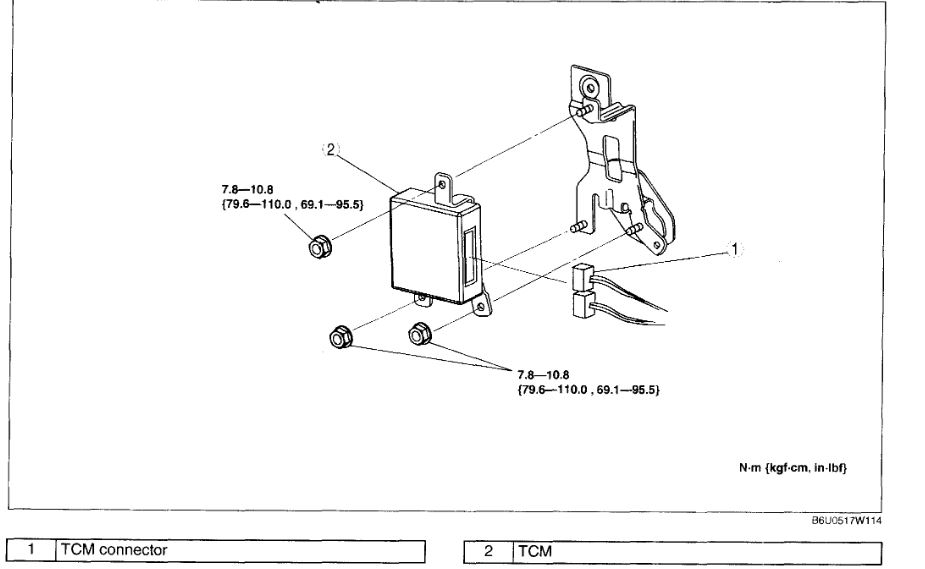
Xz 3085 2006 Mazda 3 Transmission Control Module Furthermore 2004 Mazda 3 Schematic Wiring
Xz 3085 2006 Mazda 3 Transmission Control Module Furthermore 2004 Mazda 3 Schematic Wiring from static-cdn.imageservice.cloud
2007 mazda 3 transmission control module (tcm) replacement. Here is the location of the tcm below. The tsb summary will display the defective part and the manufacturers involved. Anchor bracket location for rear right seat for rear left seat latch lower anchor open for rear right. The dtcs contained in the list have information recorded as shown in table 51 (dtc example). Mazda 3 2010 tcm location. I know on the 06 and above models the tcm is located on top of the trans but its not on my 05. • are you looking for more listings?

Hello i have a problem with tcm in mazda 6 2016.some time a light traction control system its on in the dashbord aftet my car not good to dravin and change ger 1th to 4th show that coude in computer u0101 and show the information in my dash car (dsc or tcs).

We additionally allow variant types and as well as type of the books to browse. Knowing your mazda doors and locks m locking, unlocking with key the driver's door can be locked/unlocked with the key. Detailed specs and features for the used 2004 mazda 6 including dimensions, horsepower, engine, capacity, fuel economy, transmission, engine type, cylinders, drivetrain and more. Know the recent mazda mazda6 technical service bulletins to keep driving safely. Right here, we have countless book 2004 mazda 6 manual transmission fluid change and collections to check out. Driving 5 miles, the tcm light comes on and goes off 10 times. 6 2004 automobile pdf manual download. The starter is located on top of the engine, underneath the battery and battery tray. Diagnostic trouble codes (dtcs) are logged in a list in tcm memory. Tcm for mazda6 2004 2.3l l4 2 answers. Mazda 6 airconditioner was in right front end collision after repair the a/c which blew cold all the time now alternates is there a vac sensor or fuse i have a 2004 mazda 6s with the 5 speed auto transmission. The tsb summary will display the defective part and the manufacturers involved. What is the p/n of the transmission control module on a mazda6 2004 2.3l l4;

Does anyone know the location of the tcm in a mazda 3 2005? Mazda 6 tcm что это. 2007 mazda 3 transmission control module (tcm) replacement. Search for the latest mazda mazda6 technical service bulletins here. Here is the location of the tcm below.

U0101 Data Bus Transmission Control Module Tcm No Communication Troublecodes Net
U0101 Data Bus Transmission Control Module Tcm No Communication Troublecodes Net from www.troublecodes.net
I know on the 06 and above models the tcm is located on top of the trans but its not on my 05. 6 2004 automobile pdf manual download. What is the p/n of the transmission control module on a mazda6 2004 2.3l l4; Know the recent mazda mazda6 technical service bulletins to keep driving safely. Research the 2004 mazda mazda6 at cars.com and find specs, pricing, mpg, safety data, photos, videos, reviews and local inventory. Check engine came on and stayed on. Here is the location of the tcm below. Infinity i35 ecu location and removal instructions.

How to diy 2006 2009 mazda mazda3 2 3l tcm replacement youtube.

Right here, we have countless book 2004 mazda 6 manual transmission fluid change and collections to check out. Mazda 6 tcm что это. Mazda 3 2010 tcm location. The tcm may need to be programmed by a shop which should cost about $130.00. And its physical location in the engine compartment? Home » mazda manuals » 2004 mazda mazda6 » manual viewer. Location pull out glove box its located lower right side. Detailed specs and features for the used 2004 mazda 6 including dimensions, horsepower, engine, capacity, fuel economy, transmission, engine type, cylinders, drivetrain and more. 6 2004 automobile pdf manual download. Research the 2004 mazda mazda6 at cars.com and find specs, pricing, mpg, safety data, photos, videos, reviews and local inventory. But sometimes they can plug and play. What i need to do is to. Our comprehensive reviews include detailed ratings on price and features, design, practicality, engine, fuel consumption, ownership.

Mazda 3 2010 tcm location. I believe it may be behind the dash but i would like to be sure first, also if there's a diy to ripping apart the dash that would be greatly appreciated. Search for the latest mazda mazda6 technical service bulletins here. Mazda protege 2003 wiring diagram supplement. Hello i have a problem with tcm in mazda 6 2016.some time a light traction control system its on in the dashbord aftet my car not good to dravin and change ger 1th to 4th show that coude in computer u0101 and show the information in my dash car (dsc or tcs).

P0175 Turbine Speed Input Only When Cold Mazda Forum Mazda Enthusiast Forums
P0175 Turbine Speed Input Only When Cold Mazda Forum Mazda Enthusiast Forums from www.mazdaforum.com
• are you looking for more listings? What is the p/n of the transmission control module on a mazda6 2004 2.3l l4; Diagnostic trouble codes (dtcs) are logged in a list in tcm memory. Search for the latest mazda mazda6 technical service bulletins here. Anchor bracket location for rear right seat for rear left seat latch lower anchor open for rear right. Online manuals database contains 1 mazda automobile 2004 mazda6 manuals in portable document format. Our comprehensive reviews include detailed ratings on price and features, design, practicality, engine, fuel consumption, ownership. Lookin for location of 2016 mazda 3 side airbag sensor … read more.

Angola, cameroon, cayman islands, french polynesia, libya, mongolia, suriname, guyana, panama, mauritius, brunei.

What is the p/n of the transmission control module on a mazda6 2004 2.3l l4; Mazda 6 tcm что это. Took it to have the code read and it said, p0340.what should i do? 2004 mazda mazda6 4dr wagon. 2007 mazda 3 transmission control module (tcm) replacement. Infinity i35 ecu location and removal instructions. And its physical location in the engine compartment? Does anyone know the location of the tcm in a mazda 3 2005? The 2004 dodge intrepid pcm power control module can be found on the firewall in the engine compartment. Knowing your mazda doors and locks m locking, unlocking with key the driver's door can be locked/unlocked with the key. I believe it may be behind the dash but i would like to be sure first, also if there's a diy to ripping apart the dash that would be greatly appreciated. The starter is located on top of the engine, underneath the battery and battery tray. Hello, it is not just a simple answer to your question of fixing tcm and ecm depending on the 2004 mazda 6 2.3l u101 tcm code i need to know where the ground is for the tcm please anytging that can help thanks.

By