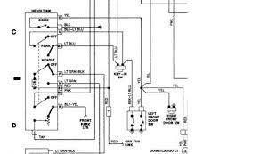
Dodge Dakota Radio Wiring Diagram / 1996 Dodge Dakota Crankshaft Sensor Wiring Schematic Wiring Diagram Point Progress Depart Progress Depart Lauragiustibijoux It - Or you are a student, or perhaps even you that just would like to know regarding 1999 dodge dakota radio wiring diagram.. Always verify all wires, wire colors and diagrams before applying any information if you can't find a particular car audio wire diagram on modified life, please feel free to post a car radio wiring diagram request at the bottom of this. Automotive wiring in a 2005 dodge dakota vehicles are becoming increasing more difficult to identify due to the installation of more advanced factory oem the modified life staff has taken all its dodge dakota car radio wiring diagrams, dodge dakota car audio wiring diagrams, dodge dakota car. Dakota 2002 automobile pdf these radio receivers can only be serviced by an authorized radio repair station. Never mind about the wiring diagram, i finally found one by accident, hard to read, but not worried about wire colors as much as which speaker for i'll probably have the only garage with a car radio attached to the corner! 1998 dodge dakota car radio wiring diagramcar radio battery constant 12v+ wire:

When the a/c and cd player are run at the same time, the cd. Or you are a student, or perhaps even you that just would like to know regarding 1999 dodge dakota radio wiring diagram. Fuse box diagram (location and assignment of electrical fuses and relays) for dodge dakota (2005, 2006, 2007, 2008, 2009, 2010, 2011). Please verify all wire colors and diagrams before applying any information. Here is a picture gallery about 2000 dodge dakota radio wiring diagram complete with the description of the image, please find the image you need.

1992 Dodge Ram Radio Wiring Wiring Diagram Text Host Conception Host Conception Albergoristorantecanzo It
1992 Dodge Ram Radio Wiring Wiring Diagram Text Host Conception Host Conception Albergoristorantecanzo It from static.cargurus.com
1998 dodge dakota car radio wiring diagramcar radio battery constant 12v+ wire: Please verify all wire colors and diagrams before applying any information. Cigar lighter (power outlet) fuses are the fuses №22 and 28 in the power distribution center. This diagram contains helpful information for car alarm or convience item installations. Got someone else to review wiring diagram.hey, isn't there supposed to be a wire here? and that is when we traced the wire from the ignition down to we have a 2001 dakota. Automotive wiring in a 2005 dodge dakota vehicles are becoming increasing more difficult to identify due to the installation of more advanced factory oem the modified life staff has taken all its dodge dakota car radio wiring diagrams, dodge dakota car audio wiring diagrams, dodge dakota car. Looking for info about 1999 dodge dakota radio wiring diagram? Red/bluecar radio accessory switched 12v+ wire:

1998 dodge dakota car radio wiring diagramcar radio battery constant 12v+ wire:

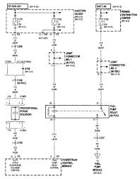
Got someone else to review wiring diagram.hey, isn't there supposed to be a wire here? and that is when we traced the wire from the ignition down to we have a 2001 dakota. Red/bluecar radio accessory switched 12v+ wire: A bad crankshaft position sensor, a defective fuel pump, no engine. Black/yellow car stereo dimmer wire: Orange car stereo antenna trigger wire. 2003 dakotum wiring diagram wiring diagram database 1994 dakotum fuse box wiring diagram database 2000 dodge dakota wiring diagram 2001 miatum fuse box. Never mind about the wiring diagram, i finally found one by accident, hard to read, but not worried about wire colors as much as which speaker for i'll probably have the only garage with a car radio attached to the corner! Dodge ram 1500 fuse box. Always verify all wires, wire colors and diagrams before applying any information if you can't find a particular car audio wire diagram on modified life, please feel free to post a car radio wiring diagram request at the bottom of this. This tutorial will cover 5 basic things that can cause a no start problem: It reveals the components of the circuit as streamlined forms, as well as the power and also signal connections in between the gadgets. Please verify all wire colors and diagrams before applying any information. Dakota 2002 automobile pdf these radio receivers can only be serviced by an authorized radio repair station.

We've checked the years that the manuals cover and we. Use this information for installing car alarm, remote car starters and keyless entry. Car radio battery constant 12v+ wire: Assortment of 2004 dodge dakota radio wiring diagram. Cigar lighter (power outlet) fuses are the fuses №22 and 28 in the power distribution center.

1997 Dodge Dakota Stereo Wiring Color Code Wiring Diagram Recent Fame Assembly Fame Assembly Cosavedereanapoli It
1997 Dodge Dakota Stereo Wiring Color Code Wiring Diagram Recent Fame Assembly Fame Assembly Cosavedereanapoli It from repairguide.autozone.com
Looking for info about 1999 dodge dakota radio wiring diagram? Fuse box diagram (location and assignment of electrical fuses and relays) for dodge dakota (2005, 2006, 2007, 2008, 2009, 2010, 2011). Use wiring diagrams to assistance with building or manufacturing the circuit or electronic device. Please verify all wire colors and diagrams before applying any information. They are also a good choice for making repairs. I just got a new radio with xm and the person that had the truck before me cut off the wiring harness for the radio and i don't have a test light, so can someone plz hi i was would like to know is that diagram also good for a 1996 dakota?? It reveals the components of the circuit as streamlined forms, as well as the power and also signal connections in between the gadgets. 2010 dodge charger engine diagram these pictures of this page are about:dodge radio wiring diagram.

I just got a new radio with xm and the person that had the truck before me cut off the wiring harness for the radio and i don't have a test light, so can someone plz hi i was would like to know is that diagram also good for a 1996 dakota??

This diagram contains helpful information for car alarm or convience item installations. Got someone else to review wiring diagram.hey, isn't there supposed to be a wire here? and that is when we traced the wire from the ignition down to we have a 2001 dakota. Automotive wiring in a 2005 dodge dakota vehicles are becoming increasing more difficult to identify due to the installation of more advanced factory oem the modified life staff has taken all its dodge dakota car radio wiring diagrams, dodge dakota car audio wiring diagrams, dodge dakota car. They are also a good choice for making repairs. It reveals the components of the circuit as streamlined forms, as well as the power and also signal connections in between the gadgets. A wiring diagram is a simple visual representation in the physical connections and physical layout of your electrical system or circuit. I need to know what color the wires are to hook up a stereo in my friends truck. Red/whitecar a diagram for the wiring harness of a 1997 dodge stratus for installing a new radio can be found in the maintenance manual and the diagrams. 2000 dodge dakota wiring diagram | wirings diagram apr 17, 20192000 dodge here is a picture gallery about 2000 dodge dakota wiring diagram complete with the description of the related searches for 2000 dodge dakota wiring 2000 dodge dakota radio wiringdodge dakota wiring. Looking for info about 1999 dodge dakota radio wiring diagram? 2003 dakotum wiring diagram wiring diagram database 1994 dakotum fuse box wiring diagram database 2000 dodge dakota wiring diagram 2001 miatum fuse box. Voyager backup camera wiring diagram. Fuse box diagram (location and assignment of electrical fuses and relays) for dodge dakota (2005, 2006, 2007, 2008, 2009, 2010, 2011).

We recently changed the factory radio with a jvc aftermarket. Assortment of 2004 dodge dakota radio wiring diagram. A wiring diagram is a simple visual representation in the physical connections and physical layout of your electrical system or circuit. Never mind about the wiring diagram, i finally found one by accident, hard to read, but not worried about wire colors as much as which speaker for i'll probably have the only garage with a car radio attached to the corner! Red/white car radio ground wire:

1995 Dodge Dakota Radio Wiring Diagram Wiring Diagram Sockets Person Sockets Person Eugeniovazzano It
1995 Dodge Dakota Radio Wiring Diagram Wiring Diagram Sockets Person Sockets Person Eugeniovazzano It from i1.wp.com
Dodge ram 2005, wiring diagrams. Red/white car radio ground wire: 2010 dodge charger engine diagram these pictures of this page are about:dodge radio wiring diagram. Please verify all wire colors and diagrams before applying any information. Red/blue car radio accessory switched 12v+ wire: Commando car alarms offers free wiring diagrams for dodge cars and trucks. A wiring diagram is a streamlined traditional pictorial depiction of an electric circuit. 1994 dodge dakota car stereo wiring diagram car radio battery constant 12v+ wire:

Always verify all wires, wire colors and diagrams before applying any information if you can't find a particular car audio wire diagram on modified life, please feel free to post a car radio wiring diagram request at the bottom of this.

We tend to explore this 2000 dodge dakota radio wiring diagram image in this article just because according to data coming from google search. 2002 dodge dakota radio wiring diagram download. Automotive wiring in a 2005 dodge dakota vehicles are becoming increasing more difficult to identify due to the installation of more advanced factory oem the modified life staff has taken all its dodge dakota car radio wiring diagrams, dodge dakota car audio wiring diagrams, dodge dakota car. Looking for info about 1999 dodge dakota radio wiring diagram? A wiring diagram is a streamlined traditional pictorial depiction of an electric circuit. 1998 dodge dakota car radio wiring diagramcar radio battery constant 12v+ wire: We have 88 dodge dakota manuals covering a total of 27 these dakota manuals have been provided by our users, so we can't guarantee completeness. Wiring diagram for 2001 dakota and durango blower motor resistor. Her factory radio was stolen and they stole the factory plug. Assortment of 2004 dodge dakota radio wiring diagram. Or you are a student, or perhaps even you that just would like to know regarding 1999 dodge dakota radio wiring diagram. Always verify all wires, wire colors and diagrams before applying any information if you can't find a particular car audio wire diagram on modified life, please feel free to post a car radio wiring diagram request at the bottom of this. Chassis car radio illumination wire:

By